Описание
Характеристики
Отзывы
Описание
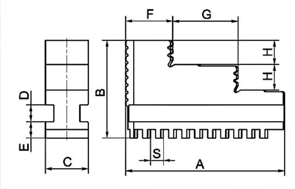
Обратные кулачки для токарного патрона — это оснастка, которая по конструкции противоположна прямым кулачкам.
Назначение: крепление «на сжатие» наружной стороны деталей с большим диаметром.
Особенности: наружную поверхность обратных кулачков можно использовать для устройства дополнительной крепящей базы, работающей «на разжим» внутренней поверхности заготовки.
Кулачки изготовлены из легированной стали, обработаны с применением технологий цементации, закалки и шлифовки, поставляются комплектом из трёх штук.
Характеристики
Тип товара
Кулачки токарные
Бренд
Нет бренда
Тип
Кулачки токарные
Ставка НДС
Без НДС
Категория товаров в AliExpress
Кулачки токарные
Отзывы
Отзывов еще никто не оставлял
